On my first build, HM1078, the car came with a Lokar #EHB-7000F, flat-mounted eBrake handle. The originals angled up and there was definitely room for improvement.
My first pass was to modify the mounting of it and the way it attached to the cables. The Ford TBird IRS eBrake system was pretty in-efficient and this mod was marginal, at best. This is a link to the earlier posting.
After multiple attempts to make it work, I found a Lokar #EHB-7016 Transmission mount handle. This provided a longer handle which increased the leverage. I modified it to fit the Hurricane frame which became Mod level#2. This mod isn’t recommended, it required substantial modification of the handle which was too long. Shortening it became very complicated.

It looked much more like the originals and worked a little better, but it still wasn’t the best setup.
The new Mustang IRS incorporates a separate eBrake caliper which vastly improves the position holding capability. At the same time, Lokar now produces a #EHB-7011 which, with a slight frame mod, fits the car perfectly and looks similar to the original cars.
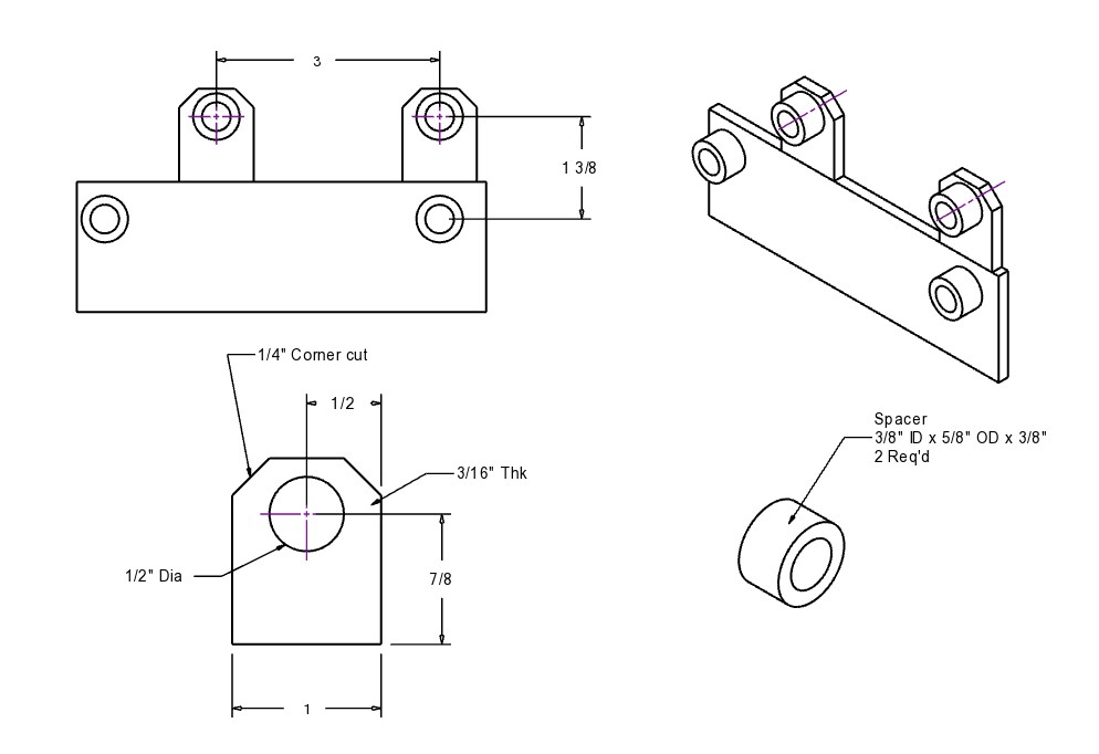
The mod requires welding a couple short tabs to mount the new lever at a slightly higher point. This drawing shows the extra pieces needed and positioning.

The lower plate and two spacer tubes are what comes on the original frame. Two tabs and two new spacers are welded to the frame for new anchoring points.

The brake pivot sits slightly higher, which may require a slightly different boot. This will be determined on the final assembly.
Completion pictures will be posted in the near future.
This mod won’t be easy to apply to a completed car, but if you haven’t finished your interior yet, you might want to give this some extra consideration. It works substantially better, I can park my car on a hill and not have it roll away!



